Peruzzo 3-Point 'STSC-101' Side Trim Mowers

Trim Along Edges Of Fence Posts, Nursery Tree Lines, Orchard Tree Rows,
Vineyard Rows, Under Guard Rails, Or Under & Around Any Other Obstacles!
Left Hand Side Trimmer Head Mounting Available
Peruzzo Skidsteer Q/A 'ST-SSQA' Side Trim Mower

The Peruzzo Side Trim Mower Is a Sophisticated Attachment,
With Many Positioning Features & Grooming Options, All Complimented With Excellent Single Pass Performance,
Providing Efficiencies Necessary For Todays Trimming, Grooming & Maintenance Operations!
With a 31" Dia Cutting Width, it's the largest available and for Reliable Quality, it's Not a Cheap Imported Product!

STSC-101 Self-Contained 3-Point Hydraulically Powered Telescoping Side Trim Mower:
Fully Retracted in Left Photo - Fully Extended (24") in Right Photo
Functions Operable 'On-The-Fly' From Tractor Cab!
STSC-101 Side Trim Mower Head Positioning is Infinite Between Positions Shown:
These Angled Head Positions Are Performed Mechanically/Manually Prior To Use.
Hydraulically Adjusted Head Angling Positioning is Available But Will Double The Cost.

Peruzzo STSC-101 Side Trim Mower


Click Here For ‘Bull’ Series Flail Mowers

STSC-101 STANDARD FEATURES:

Peruzzo Offsetable Center Mounted Bull Mower with 31" Dia. Side Trim Head Shown Extended & Retracted
Peruzzo Bull Mower with 31" Dia. Side Trim Head
Peruzzo Bull Cross Mower with 31” Side Trim Head – Unparalleled Reach & Mowing Production!
Use the Peruzzo 31" Side Trim Head on the Largest Peruzzo Bull Cross 2200E
And You'll Have 86" of Mowing Width Working While Using the Side Trimming Head!

STSC-101 & SIDE TRIM HEAD DETAILS

More STSC-101 Cutting Head Positioning Adjustments
STSC-101 Side Trim Mower Blades

Customer Review:
"Thank you for the Perruzzo Side Trimmer, I used it today on 2 acres of blueberries and it worked well like I had hoped, well designed machine. Thanks also for the help in getting it here." ~ Satisfied Customer, NH

3-Point STSC-101 Also Available with Double Side Trim Heads


ST-SSQ/A Skidsteer Quick Attach Side Trim Mower

Peruzzo ST-SSQ/A For Convenient Front Mounted Applications
Peruzzo ST-SSQ/A With Multiple Positioning Adjustments For Universal Convenience
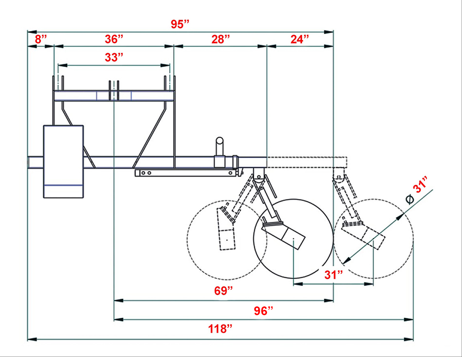
STSC-101 SELF CONTAINED MOWER ASSEMBLY SPECIFICATIONS
MODEL STSC-101
Tractor 18-50 HP / CAT 1,
Adaptable to Cat 2
Mower Head Speed 2400 RPM's
Cutting Width 31" Diameter
Cutting Head Overall Diameter 36" (See Note 1)
Cutting Capacity 2" Dia.
Min. Cutting Height 1-1/2" - 2"
Dimension From Top of Cutter Deck to Bottom of Pan Carrier 4"
Overall Vertical Dimension (Bottom of Blade Carrier to Top of Hyd Motor) of Mower Head 11"
Outside Edge/Max Reach of Mower Head From Hitch Frame Center-Line, Fully Retracted 70"
Right Side Hyd Telescoping Offset 24"
(Requires 1 Set Hyd. Outlets)
Max. Reach From Hitch Frame Center-Line, Extended 96"
Blades (Sharpenable) 5/16" Thick x 3-1/8" Wide x 8-3/4" Long
Hyd. Reservoir Capacity 9 Gallons
Weight 575 lbs. (w/Reservoir Full)
Weights are Less Pallets, Crates & PTO Shaft.
Note 1: Foam Rubber Bumper Around the Head is 1-1/2" Dia. The Metal Channel the Rubber Bumper is Secured to is 3/4".
ST-SSQ/A Skidsteer Quick Attach Side Trim Mower Specifications
Data Coming Soon
STSC-101 SELF CONTAINED MOWER ASSEMBLY SPECIFICATIONS
MODEL STSC-101
Tractor 18-50 HP / CAT 1,
Adaptable to Cat 2
Mower Head Speed 2400 RPM's
Cutting Width 31" Diameter
Cutting Head Overall Diameter 36" (See Note 1)
Cutting Capacity 2" Dia.
Min. Cutting Height 1-1/2" - 2"
Dimension From Top of Cutter Deck to Bottom of Pan Carrier 4"
Overall Vertical Dimension (Bottom of Blade Carrier to Top of Hyd Motor) of Mower Head 11"
Outside Edge/Max Reach of Mower Head From Hitch Frame Center-Line, Fully Retracted 70"
Right Side Hyd Telescoping Offset 24"
(Requires 1 Set Hyd. Outlets)
Max. Reach From Hitch Frame Center-Line, Extended 96"
Blades (Sharpenable) 5/16" Thick x 3-1/8" Wide x 8-3/4" Long
Hyd. Reservoir Capacity 9 Gallons
Weight 575 lbs. (w/Reservoir Full)
Weights are Less Pallets, Crates & PTO Shaft.
Note 1: Foam Rubber Bumper Around the Head is 1-1/2" Dia. The Metal Channel the Rubber Bumper is Secured to is 3/4".
ST-SSQ/A Skidsteer Quick Attach Side Trim Mower Specifications
Data Coming Soon
Specifications & Designs Are Subject to Change Without Notice
All, and any text, verbiage, and worded explanations, along with all photos, images, and videos are the sole copyrighted property of Iowa Farm Equipment, and are exclusively reserved for use by Iowa Farm Equipment ownership only. Any electronic or digital copying or reproduction of any kind, of all, and any text, verbiage, and worded explanations, along with all photos, images, and videos, in part, or in entirety are prohibited, and will be considered a violation of our copyrights. This applies to all, and any applications, all and any businesses, all and any persons outside of the ownership of Iowa Farm Equipment; Private, Commercial, Governmental, etc. Exceptions may be granted, but only by documented permission from Iowa Farm Equipment legal representatives. Use the Contact Us link to make your request.